187
Kapitel 21
Schaltungen
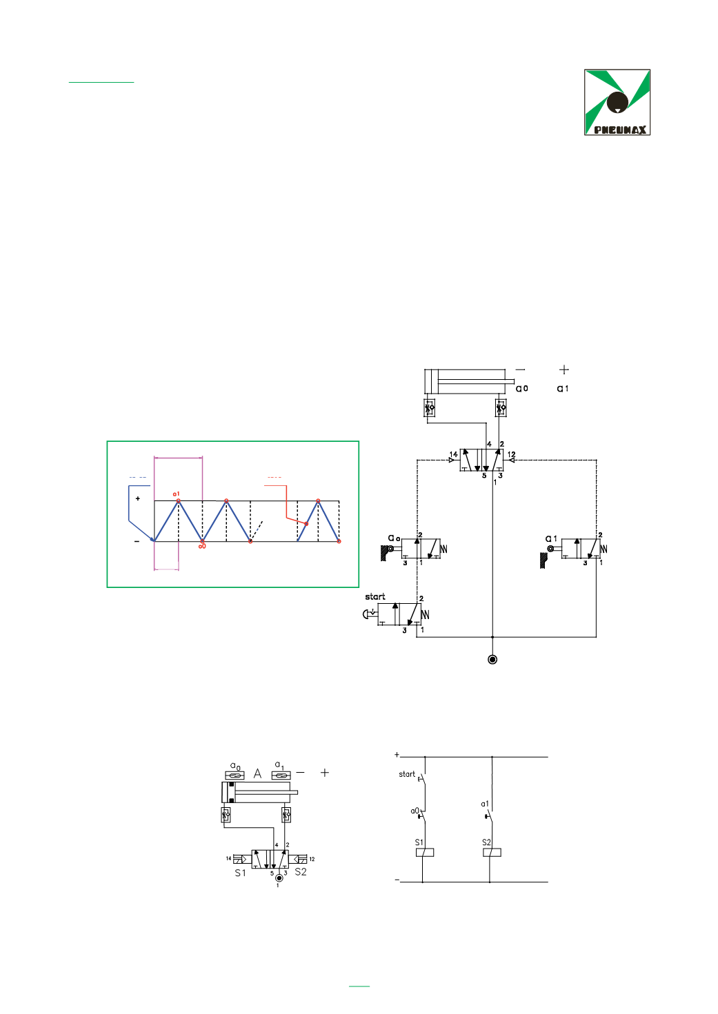
so oft wiederholt, bis er durch ein Stoppsignal unterbrochen wird. Der Zyklus ist so
programmiert, dass die Kolbenstange am Zyklusende in Minusstellung verharrt. Be-
wegt sich der Zylinder gerade in Richtung +, so vollendet er seinen Hub und kommt
erst zum Stillstand, wenn er die Minusstellung erreicht hat. Im Schaltbild ist der Endla-
gensensor a0 in Reihe zum Start-/Stoppventil geschaltet, so dass nach Erteilung des
Stoppsignals das letzte Signal, das am Ventil zur Ansteuerung des Zylinders ankommt,
das von a1 ausgegebene Signal ist, das den Zylinder A in Minusstellung definiert. Das
Schaltbild ist recht relativ einfach. Wenn das Startsignal ausgegeben wird, wird über
den betätigten Endschalter a0 das Startsignal in A+ gesendet, und sofort danach wird
a0 freigegeben und druckentlastet die entsprechende Steuerleitung. Bei Erreichen
der Plusstellung wird der Endschalter a1 betätigt, der dem Zylinder befiehlt, wieder in
Stellung + zurückzufahren.
Es werden so lange abwechselnd beide Positionen angefahren, bis die Stoppstellung
gewählt wird, die den Zylinder in die genannte Endposition bringt.
Die elektropneumatische Version gehorcht denselben Bedingungen und basiert auf
demselben Zyklus.
227
Durante la traslazione la matita traccerà sul foglio delle linee orizzontali nelle due
posizioni di stazionamento + e - , delle linee inclinate durante il movimento tra una
delle due posizioni. L’inclinazione delle linee sarà più o meno accentuata in funzione
della velocità di attuazione del cilindro stesso, che però non è un elemento
interessante quando si pro etta lo schema. Lo sarà invece in fase di dimensionamento
del e apparecchiature costituenti lo schema stesso.
21.3 Circuiti per cicli autom tici e semiautomatici
A
Cilindro A
Come si può vedere, ogni ciclo è composto da singole fasi ( tempo ) nelle quali si
sviluppa la rappresentazione della corsa del cilindro ( spazio ). In questo caso il ciclo
si ripete automaticamente per n numero di volte sino a quando non lo si interrompa
con lo stop. Si può inoltre notare che è stata imposta la condizione di fine ciclo con
stelo in posizione – . Se il cilindro sta percorrendo la corsa verso +, la completerà per
poi fermarsi alla fine della corsa verso -. Nello schema infatti, il sensore di fine corsa
a0 è posto in serie alla valvola di start/stop in modo tale che quando viene posto in
scarico il segnale di avvio, posizione di stop, l’ultimo segnale che arriva alla valvola
228
di comando del cilindro è quello liberato da a
1
che definisce il cilindro A in posizione
meno. La lettura dello schema è sufficientemente semplice. Quando si attiva lo start,
si invia, attraverso il fine corsa a
0
azionato, il segnale di avvio in A+ ed,
immediatamente dopo, a
0
viene rilasciato ponendo in scarico la relativa condotta di
comando. Quando la posizione + viene raggiunta viene azionato il fine corsa a1, il
quale ordina al cilindro A di tornare in posizione -.
L’alternanza nelle due posizioni continua sino a quando si seleziona la posizi ne di
stop, ottenen o il fine ciclo con le condizio i citate.
La versione elettropneumatica soddisfa le medesime condizioni e lo stesso ciclo.
Proviamo ora disegnare il diagramma del moto e delle fasi di due cilindri, A e B, che
Zylinder A
A
228
di comando del cilindro è quello liberato da a
1
che definisce il cilindro A in posizione
meno. La lettura dello schema è sufficientemente semplice. Quando si attiva lo start,
si invia, attraverso il fine corsa a
0
azionato, il segnale di avvio in A+ ed,
immediatamente dopo, a
0
viene rilasciato ponendo in scarico la relativa condotta di
comando. Quando la posizione + viene raggiunta viene azionato il fine corsa a1, il
quale ordina al cilindro A di tornare in posizione -.
L’alternanza nelle due posizioni continua sino a quando si seleziona la posizione di
stop, ottenendo il fine ciclo con le condizioni citate.
La versione elettropneumatica soddisfa le medesime condizioni e lo stesso ciclo.
Proviamo ora disegnare il diagramma del moto e delle fasi di due cilindri, A e B, che
si muovono secondo la sequenza:
SCHRITT
ZYKLUS
START
STOP




